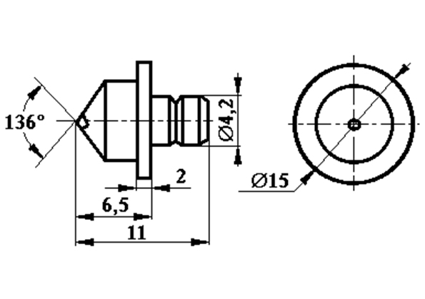
Наконечники алмазные в виде четырёхгранной пирамиды с углом 136° к приборам для измерения микротвёрдости металлов и сплавов по методу Виккерса. Наконечники изготовлены в соответствии с ГОСТ 9377-81 и прошли первичную поверку при выпуске из производства по ГОСТ 8.044-80.
Надо внимательно следить за гранями и остриём алмазной пирамиды, т.к. всякое повреждение их нарушит точность измерений. Повреждение граней и острия легко обнаружить при рассматривании отпечатков на мягких материалах: алюминий и др. Наконечники тип НП и НПМ – в процессе шлифовки алмазных инденторов в точке соединения граней алмаза остаётся линия стыка, которая препятствует достижению идеального заострения. В стандартах ISO и ASTM определяется максимальная длина линии стыка в зависимости от используемой испытательной нагрузки. В соответствии с полученной длиной линии стыка инденторы классифицируются для использования в различных диапазонах испытательной нагрузки.
В 2023 году прошли проверку в Центральной Испытательной Лаборатории АО "ЛОМО" на соответствие требованиям изготовителя и рекомендованы к применению в микротведомерах ПМТ-3, ПМТ-3М, ПМТ-3М1 и ПМТ-5.
|
Наименование |
Кол-во, шт. |
|
Индентор твердомера |
По заказу |
|
Упаковочный футляр |
1 |
|
Паспорт |
1 |


|
Наконечники алмазные: |
|
|
Материал в оправке: |
Алмаз монокристаллический синтетический марки Va |
|
Диапазон каратности: |
Маркирован на оправке изделия в соответствии с ГОСТ 9377-81 |
|
Геометрические размеры: |
По ГОСТ 9377-81, исполнение тип НК 1 / НП 1 / НПМ соответственно |
|
Наконечники шариковые (с твёрдосплавными и стальными шариками): |
|
|
Тех. характеристики шарика: · Твёрдосплавного · стального: |
· Карбид вольфрама WC/Co=94/6 max %; Твёрдость не менее 1500 HV10; Плотность 14,8 г/см3; Прочность на изгиб 2600 Мпа; Размер зерна 1,2 мкм · Закалённая сталь; Твёрдость не менее 850 HV10 |
|
Геометрические размеры шариков в соответствии с ГОСТ 3722-81: · Степень точности 20 · Среднее отклонение от номинального диаметра ±1 мкм |
· Шкалы Бринелль (металлы ГОСТ 9012-59) твёрдосплавные Ø: 1,0 / 2,0 / 2,5 / 5,0 / 10,0 мм · Шкалы Роквелл (металлы ГОСТ 9013-59) твёрдосплавные Ø: 1,588 (шкалы B, F, G) и стальные Ø: 3,175 (шкалы E, H, K) мм · Шкалы Роквелл (пластмассы ГОСТ 24622-91) стальные Ø: 3,175 (шкала E) / 6,35 (шкалы L, M) / 12,7 (шкала R) мм · Шкалы IRHD (резины ГОСТ 20403-75) твёрдосплавные Ø: 0,395 / 2,5 мм |
|
Гарантийный срок эксплуатации |
1 (один) год |



Рекомендуемый порядок установки (замены) индентора в приборах для измерения твёрдости (твердомерах стационарного и переносного типов):
Закрутить винт фиксации индентора до упора.
Произвести не менее 5 измерений на эталонной мере микротвёрдости с вычислением среднего значения. Сравнить полученное микротвердомером среднее значение твёрдости со значением твёрдости эталонной меры микротвёрдости. Если полученное микротвердомером среднее значение твёрдости и значение эталонной меры микротвёрдости находятся в пределах допустимой погрешности (погрешность микротвердомера по паспорту изготовителя + погрешность меры микротвёрдости по паспорту изготовителя), то продолжить измерения твёрдости других контролируемых изделий. Если значение твёрдости, измеренное микротвердомером, и значение эталонной меры микротвёрдости выходят за пределы допустимой погрешности - необходимо произвести калибровку микротвердомера согласно инструкции изготовителя.